|

點擊獲取價格明細
產品詳情
標準件行業中,各種螺釘螺母的標準規格有上萬種,全部列舉出來近乎不可能。所以在國家制定的緊固件標準手冊中,為了方便我們學習和使用,往往會把相類似的標準件放在一個大類中,然后再進行細分,這樣就比較容易理解了。本文主要來說一下不銹鋼十字槽螺釘這個標準。
十字槽螺釘主要分為盤盤頭十字、沉頭十字、半沉頭十字、圓柱頭十字等。這類螺釘廣泛應用于電子電器、機械設備等各種領域。無錫泛奧公司生產的不銹鋼十字槽盤頭螺釘
和十字沉頭螺釘全部采用SUS304材料,其中不銹鋼十字槽沉頭螺釘的設計是在使用中讓螺釘的的頭部和產品本身持平,螺紋通止規檢測.不銹鋼沉頭螺釘有一字槽沉頭螺釘和十字槽沉頭螺釘兩種。常用規格現貨銷售.非標準可來電咨詢.
十字槽螺釘它的特點就是規格比較小,一般是從M2的直徑開始,到M8就基本上結束了,當然也有需要M10或是更大的十字槽螺釘,只是不怎么常用,現貨也不多,就忽略不計了。規格小是其中一個特點,另一個特點就是十字槽了,不管是沉頭還是盤頭,它的頭部都是一個十字槽設計,安裝時需要用十字螺絲刀進行。除了這二點通用的特殊性能,不銹鋼十字槽螺釘的頭部還分了好幾種。盤頭和沉頭當然是最常用了,還有其它盤頭組合弄,傘頭十字槽型,三角牙十字槽螺釘型,包括十字槽自攻螺釘,也可以列在這個系列中。
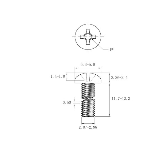
在國標中,不同的十字槽螺釘都有不同的標準來表示,只是十字槽螺釘在國內使用,對應的德標就不常用了,而美標就更加的少,所以我們以介紹國標十字槽螺釘為主。我們先從最常用的開始,首先是不銹鋼十字槽盤頭螺釘,它的標準是GB/T818,實物圖如下:

只要是螺釘的形狀和上面的頭型一樣,那么它就是一顆不銹鋼十字槽盤頭螺釘,而具體的參數則是以螺紋為準,不同的螺紋標準,它對應的頭部直徑也是各不相同,而螺紋的長度是隨意選擇的。我們以下面的實物測量頭為例:

這樣一對比,就很清楚了,測量圖的標準是M3*12,如果是其它M3的尺寸,除了螺紋長度可以選擇不同的標準,其它尺寸是固定的,這就是國標的意義所在了。如果螺紋是M4或是M5,那么它對應的頭部直徑都是不一樣的,限于篇幅,就不一一列出,有需要可以直接電話聯系0510-82446170.再來看第二款常用的十字槽螺釘,它的標準是GB/T819,全稱為不銹鋼十字槽沉頭螺釘,下面是實物圖:

看了實物對比圖,是不是就清楚的多了,在向供應商咨詢采購時,也不會出錯了。盤頭和沉頭是一正一反。我們也來看一下測量技術標準,我們還是以M3*12的標準為示范,因為上面的十字槽盤頭螺釘的技術也是這個標準:

這二種最大的區別就是測量的總長度不一樣,一個是含了頭部的高度,一個是不含頭部的高度,而其它的技術參數也是根據不同的規格來制定不同的尺寸。以上就二種最常用的十字槽螺釘,還有一些其它不銹鋼十字槽螺釘的,我們就不一一述說了。總之,不管它是什么形狀,只要它的安裝標準是以十字螺絲起子來操作的,就都可以納為十字槽螺釘系列中。不銹鋼十字槽螺釘的材料只有二種,一種是SUS304不銹鋼十字槽螺釘,而另一種是SUS316不銹鋼十字槽螺釘,這二種不銹鋼材料,泛奧公司均可以提供生產。
其實關于十字槽螺釘,還有一個地方需要注意一下,就是盤頭型螺釘的十字槽,還有一種是十一字槽,也就是說,在安裝時,不僅能使用十字螺絲起子,還能使用一字螺絲起子進行安裝。除此區別外,其它所有的標準都是相同的。
十字槽螺釘是電子產品中使用最為廣泛的一種緊固件產品,無錫泛奧緊固件有限公司除了提供不銹鋼材料的十字槽螺釘的同時也銷售碳鋼鍍鋅的十字槽系列的螺釘產品。具體規格尺寸可來電咨詢。
標準規定了螺紋規格為M1.2-M3的A型——十字槽圓柱頭螺釘,B型——十字槽沉頭螺釘及C型——十字槽半沉頭螺釘

A型——十字槽圓柱頭螺釘尺寸可以參考下面的圖片

B型——十字槽沉頭螺釘的尺寸可以參考下面的圖片

C型——十字槽半沉頭螺釘的尺寸可以參考下面的圖片


|