|
不銹鋼緊定螺釘的材料有304和316二種選擇,而12.9級內六角緊定螺釘的材料只有一種,那就是合金鋼材料。我們就分析一下不銹鋼緊定螺釘和12.9級內六角緊定螺釘的各項標準和相關性能參數。聯系電話0510-82446170.
緊定螺釘有外部形狀也有二種,一種是一字槽緊定螺釘,一種是內六角緊定螺釘。目前一字槽緊定螺釘不太常用了,它的材料是最普通的碳鋼,安裝時用一字螺絲刀操作,一字槽緊定螺釘強度不高,安裝速度緩慢,所以被市場所棄也是大勢所趨。本文中就主要來分析一下內六角緊釘螺釘的標準。
先說材料,因為同等規格的緊定螺釘,標準都是一樣的,只有材料各不相同。目前內六角緊定螺釘的材料有304不銹鋼緊定螺釘和316不銹鋼緊定螺釘以及12.9級合金鋼材料的緊定螺釘。其它材料目前也只有8.8級備用,其它的材料暫時提供不了。
材料的事情比較簡單,三言二語就說清楚,我們來看一下內六角緊定螺釘的標準:
  
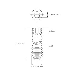
從左邊開始,它的標準是DIN916,全稱為內六角凹端緊定螺釘。它是一種無頭的螺釘,整個外部全是螺紋,有一個內六角孔是用來安裝用的,尾部有一點凹進去,所有稱為內六角凹端緊定螺釘。左邊的示意圖規格是M2*4,中間的規格是M3*6,右邊的規格是M4*8,前面指的是螺紋直徑,后面指的緊定螺釘的總長度。再加材料性性,比如不銹鋼或是12.9級,就把一顆內六角緊定螺釘完整的描述清楚了。
  
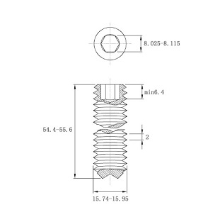
和上面的標準是一樣,都是DIN916內六角凹端緊定,左邊的規格是M5*6,中間是M6*12,右邊是M8*25.我們把每一直徑的規格放上一張技術圖,而長度是可以隨便選擇,其它的參數不變,內門六角對邊、深度等,這些都有同一標準。
  
左邊規格是M10*16,中間規格是M12*45,右邊規格M16*55.單位都是毫米,基本上,不管是不銹鋼緊定螺釘,還是12.9級內六角緊定螺釘,它的規格就是以上九款,最小M2,最大M16.下面的標準是另一種,它的全稱是平端內六角緊定螺釘,材料區別和上面一樣,不銹鋼的顏色是亮色,12.9級顏色是黑色。對應的標準是DIN913.
  
左邊M5*25,中間M6*25,右邊M8*50,它的規格最大也是到M16,由于篇幅所限,就不在放標準圖了,總之,其它螺紋參數都是一樣的,包括內六角對邊,我們只注意尾部不一樣就行了,如果想要看M12或是M16的標準,直接參考最上面同樣的規格就可以了。還有一種是叫尖端緊定,我們直接放實物圖片,為什么呢,因為尖端緊定根據實物就能看出明顯的不同之外,而凹端和平端如果不看技術圖紙只看實物,很能分別。
 
各位看到了嗎,左邊的是不銹鋼尖端緊定螺,右邊的是12.9級尖端緊定。都是內六角設計,尾部一看就能上面的二款完全不一樣,它像一個錐子一樣,很容易區別開來。以上就是不銹鋼緊定螺釘和12.9級內六角緊定螺釘的概況了。如果有其它需要了解的,可以直接電話聯系0510-82446170.。 |